Sign In | Join Free | My ecer.co.uk
China Shijiazhuang Hanjiu Technology Co.,Ltd logo
Shijiazhuang Hanjiu Technology Co.,Ltd
Shijiazhuang Hanjiu Technology Co.,Ltd
Verified Supplier

8 Years

Home > Orbit Hydraulic Motor >

Short Engine Omss100 Replace Danfoss Hydraulic Motor 151f0536 151f5067 151f5167

Shijiazhuang Hanjiu Technology Co.,Ltd
Trust Seal
Verified Supplier
Credit Check
Supplier Assessment
Contact Now

Short Engine Omss100 Replace Danfoss Hydraulic Motor 151f0536 151f5067 151f5167

Brand Name : HANJIU CHINA

Model Number : OMSS100

Certification : CE

Place of Origin : CHINA

MOQ : 100 Pieces

Price : start from 90 usd/pc

Payment Terms : L/C, D/A, D/P, T/T, Western Union, Payple

Supply Ability : 100000 pieces per year

Delivery Time : 45 - 55 work days

Packaging Details : Standard export package

Product : Short motor

Model number : OMSS100

Flange : Bearingless

Displacement : 100 ml/r

Contact Now

Short engine OMSS100 replace Danfoss 151F0536, 151F5067, 151F5167

Quick review:

This is an OMSS gerotor Motor with bearingless flange. It is form, fit and function compatible with Danfoss OMSS series. Dealers and users of Danfoss sell and use it directly as an 151F0536, 151F5067, 151F5167 compatible motor.

Technical information
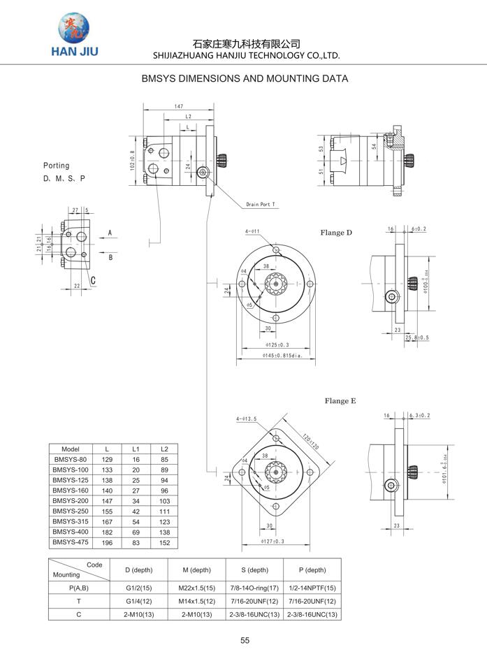
Splined shaft 12 spline 12/24 (Ø27.6mm)
Flange 4 bolt Ø125 - centring Ø99.9mm
port 1/2 BSP - Drain 1/4 BSP
ref Danfoss 151F0536 (can replace151F5067 - 151F5167 )

Main Specifications:
Type BMS
BMSE
80
BMS
BMSE
100
BMS
BMSE
125
BMS
BMSE
160
BMS
BMSE
200
BMS
BMSE
250
BMS
BMSE
315
BMS
BMSE
375
Geometric displacement
(cm3 /rev.)
80.6 100.8 125 157.2 200 252 314.5 370
Max. speed (rpm) cont. 800 748 600 470 375 300 240 200
int. 988 900 720 560 450 360 280 240
Max. torque (N·m) cont. 190 240 310 316 400 450 560 536
int. 240 300 370 430 466 540 658 645
peak 260 320 400 472 650 690 740 751
Max. output (kW) cont. 15.9 18.8 19.5 15.6 15.7 14.1 14.1 11.8
int. 20.1 23.5 23.2 21.2 18.3 17 18.9 17
Max. pressure drop (MPa) cont. 17.5 17.5 17.5 15 14 12.5 12 10
int. 21 21 21 21 16 16 14 12
peak 22.5 22.5 22.5 22.5 22.5 20 18.5 14
Max. flow (L/min) cont. 65 75 75 75 75 75 75 75
int. 80 90 90 90 90 90 90 90
Max. inlet pressure (MPa) cont. 25 25 25 25 25 25 25 25
int. 30 30 30 30 30 30 30 30
Weight (kg) 9.8 10 10.3 10.7 11.1 11.6 12.3 12.6

* Continuous pressure :Max. value of operating motor continuously.
* Intermittent pressure :Max. value of operating motor in 6 seconds per minute.
* Peak pressure:Max. value of operating motor in 0.6 second per minute.

About manufacturer:

Hanjiu is a hydraulic orbital motor manufacturer from China. Currently a strong contender in Europe for Danfoss, White, M+S, Brevini. In North America, Latin America and Australia are strong contenders for Eaton, Parker. You can get high-end motors in Hanjiu that are compatible with Danfoss, M+S, White, Dana Brevini, Eaton, Parker in form, fit and function, with a complete range, more reasonable prices, stable and fast delivery.

Contact us to discuss your needs, tell us your needs, and we will assist you in solving your difficulties and achieving a reliable and competitive supply.

Short Engine Omss100 Replace Danfoss Hydraulic Motor 151f0536 151f5067 151f5167


Product Tags:

omss100 danfoss hydraulic motor

      

151f0536 danfoss hydraulic motor

      

151f5167 orbit hydraulic motor

      
Quality Short Engine Omss100 Replace Danfoss Hydraulic Motor 151f0536 151f5067 151f5167 for sale

Short Engine Omss100 Replace Danfoss Hydraulic Motor 151f0536 151f5067 151f5167 Images

Inquiry Cart 0
Send your message to this supplier
 
*From:
*To: Shijiazhuang Hanjiu Technology Co.,Ltd
*Subject:
*Message:
Characters Remaining: (0/3000)